Газель умз схема

Топливная система умз-4216 еuro-4. Схема электропроводки газель бизнес 4216 евро 4. Схема электрооборудования 4216 евро-3 инжектор. Газель умз схема. 3.
Топливная система умз-4216 еuro-4. Схема электропроводки газель бизнес 4216 евро 4. Схема электрооборудования 4216 евро-3 инжектор. Газель умз схема. 3.
Газель умз схема. Газель умз схема. Электрическая схема газели с двигателем 405 евро 3. Газель умз схема. Газель 3302 двс умз 4216 схема электрооборудования микас 7 инжектор евро 3.
Газель умз схема. Газель умз схема. Электрическая схема газели с двигателем 405 евро 3. Газель умз схема. Газель 3302 двс умз 4216 схема электрооборудования микас 7 инжектор евро 3.
Газель 405 евро 3 схема управления двигателем. Схема электрическая газель бизнес 4216 евро. Газель умз схема. Схема электрооборудования 4216 евро-3 инжектор. Схема охлаждения двигателя умз 4216.
Газель 405 евро 3 схема управления двигателем. Схема электрическая газель бизнес 4216 евро. Газель умз схема. Схема электрооборудования 4216 евро-3 инжектор. Схема охлаждения двигателя умз 4216.
Схема электрооборудования газель бизнес 4216 евро 3. Электрическая схема жгута управления двигателем змз 405. 3 газель 4216. Схема электрооборудования газель бизнес 4216 евро 3. Схема проводки двигателя умз 4216 евро 3.
Схема электрооборудования газель бизнес 4216 евро 3. Электрическая схема жгута управления двигателем змз 405. 3 газель 4216. Схема электрооборудования газель бизнес 4216 евро 3. Схема проводки двигателя умз 4216 евро 3.
Газель умз схема. Топливная система газ умз 4216. Схема электропроводки газель 405 евро 3. Схема электрооборудования умз 4216 евро 3. Двс 4216 газель схема электрооборудования.
Газель умз схема. Топливная система газ умз 4216. Схема электропроводки газель 405 евро 3. Схема электрооборудования умз 4216 евро 3. Двс 4216 газель схема электрооборудования.
Электрическая схема соболь 405 инжектор. 3 умз 4216 газель. Схема электропроводки газель бизнес 4216 евро 4. Мотор 4216 схема. Микас 12.
Электрическая схема соболь 405 инжектор. 3 умз 4216 газель. Схема электропроводки газель бизнес 4216 евро 4. Мотор 4216 схема. Микас 12.
Схема управления двигателем 4216 микас 10. Топливная система умз 4216 евро 3. Газель умз схема. Схема электропроводки умз 4216 евро 4. Схема управления двигателем газель 406 инжектор.
Схема управления двигателем 4216 микас 10. Топливная система умз 4216 евро 3. Газель умз схема. Схема электропроводки умз 4216 евро 4. Схема управления двигателем газель 406 инжектор.
Газ 33106 схема электрооборудования. Газель умз схема. Схема подключения двигателя змз 405 евро 2. Схема электропроводки умз 4216 евро 4. Электросхема газель бизнес 4216.
Газ 33106 схема электрооборудования. Газель умз схема. Схема подключения двигателя змз 405 евро 2. Схема электропроводки умз 4216 евро 4. Электросхема газель бизнес 4216.
Схема проводки газель умз 4216. Схема электрооборудования змз 405 евро 3. Схема проводки уаз умз 4216. 3. Электросхема газель бизнес 4216 евро 3.
Схема проводки газель умз 4216. Схема электрооборудования змз 405 евро 3. Схема проводки уаз умз 4216. 3. Электросхема газель бизнес 4216 евро 3.
Топливная система умз 4216 евро 4. 3. Газель умз схема. Умз 421 схема двигателя инжектор. Газель умз схема.
Топливная система умз 4216 евро 4. 3. Газель умз схема. Умз 421 схема двигателя инжектор. Газель умз схема.
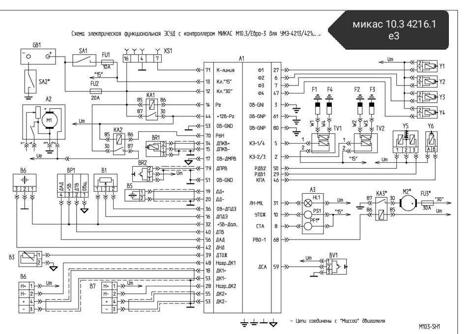
Распиновка микас 10. Схема управления двигателем змз 406 инжектор. Газель умз схема. Электросхема 4216 микас 10. Электрическая схема газель бизнес евро 3.
Распиновка микас 10. Схема управления двигателем змз 406 инжектор. Газель умз схема. Электросхема 4216 микас 10. Электрическая схема газель бизнес евро 3.
Схема электрооборудования змз 405 евро 2. Схема электрооборудования змз 405 евро 2. Проводка двигателя змз 406 микас 7. Газель умз схема. Схема проводки газель бизнес 4216 евро 3.
Схема электрооборудования змз 405 евро 2. Схема электрооборудования змз 405 евро 2. Проводка двигателя змз 406 микас 7. Газель умз схема. Схема проводки газель бизнес 4216 евро 3.
Схема управления двигателем умз 4216 микас 10. Схема проводки двигателя умз 4216 евро 3. Схема электрооборудования газель 405 инжектор евро 3. 1 инжектор. 3 схема эсуд.
Схема управления двигателем умз 4216 микас 10. Схема проводки двигателя умз 4216 евро 3. Схема электрооборудования газель 405 инжектор евро 3. 1 инжектор. 3 схема эсуд.
Газель умз схема. Схема электрооборудования умз 4216 евро 4. Электрическая схема газель 405 инжектор евро 3. Газель умз схема. Умз 4216 схема электрооборудования.
Газель умз схема. Схема электрооборудования умз 4216 евро 4. Электрическая схема газель 405 инжектор евро 3. Газель умз схема. Умз 4216 схема электрооборудования.
Газель умз схема. Схема газель электрооборудования газ 2705. Электросхема 4216 евро 3 микас 10. Умз 4216 схема электрооборудования. Схема микас 10.
Газель умз схема. Схема газель электрооборудования газ 2705. Электросхема 4216 евро 3 микас 10. Умз 4216 схема электрооборудования. Схема микас 10.
3 электросхема умз 4216. Схема двс умз 4216. Газель умз схема. Схема блока управления змз 406 инжектор. Умз 4216 схема электрооборудования.
3 электросхема умз 4216. Схема двс умз 4216. Газель умз схема. Схема блока управления змз 406 инжектор. Умз 4216 схема электрооборудования.
Умз 4216 схема электрооборудования. Схема электрооборудования 4216 евро-3 инжектор. Схема электропроводки газель бизнес 405 евро 3. Схема электрооборудования автомобиля с двигателем змз 405. Газель умз схема.
Умз 4216 схема электрооборудования. Схема электрооборудования 4216 евро-3 инжектор. Схема электропроводки газель бизнес 405 евро 3. Схема электрооборудования автомобиля с двигателем змз 405. Газель умз схема.
Система охлаждения двигателя умз 4216 схема. Схема электрооборудования газель бизнес 4216 евро 3. Схема электрооборудования 4216 евро-3 инжектор. 3. Газель умз схема.
Система охлаждения двигателя умз 4216 схема. Схема электрооборудования газель бизнес 4216 евро 3. Схема электрооборудования 4216 евро-3 инжектор. 3. Газель умз схема.
Газель умз схема. Схема электрооборудования газ 3110 змз 402. Схема электрооборудования газель с двигателем 4216. Двигатель умз 4216 схема. Электрооборудование газель 405 евро 2.
Газель умз схема. Схема электрооборудования газ 3110 змз 402. Схема электрооборудования газель с двигателем 4216. Двигатель умз 4216 схема. Электрооборудование газель 405 евро 2.
Газель умз схема. Система питания умз 4216. Электрическая схема 4216 евро 3. Электрическая схема двигателя 4216 газель. Схема электрическая газель бизнес 2015 год.
Газель умз схема. Система питания умз 4216. Электрическая схема 4216 евро 3. Электрическая схема двигателя 4216 газель. Схема электрическая газель бизнес 2015 год.